集成電路測試貫穿了從設計、生產到實際應用的全過程,大致分為:
- 裝修方案分階段的裝修方案驗證通過各種測試- 晶圓研發時期的技藝視頻監控測試- 封裝類型前的晶圓測試軟件- 封裝形式后的機器設備檢測芯片測試應用現狀
芯片測試作為芯片設計、生產、封裝、測試流程中的重要步驟,是使用特定儀器,通過對待測器件DUT(Device Under Test)的檢測,區別缺陷、驗證器件是否符合設計目標、分離器件好壞的過程。其中直流參數測試是檢驗芯片電性能的重要手段之一,常用的測試方法是FIMV(加電流測電壓)及FVMI(加工作電壓測電流大小)。
民俗的心片電性能指標測式必須要 數臺電子義表實現,如直流電壓源、工作電流源、萬用表等,但是由數臺電子義表結構的模式必須要 不同參與程序編程、關聯、聯系、量測和數據分析,步驟繁復又費時,又占據太過測式臺的發展空間,況且采用分散化效果的電子義表和激發源還的存在繁復的充分間勾起操作使用,有越大的不認判定及很慢的串口通信文件傳輸加速度等不足,不能滿意便捷率測式的標準。實施芯片電性能測試的最佳工具之一是數碼源表(SMU),數字源(yuan)表可作為(wei)獨立(li)的恒壓(ya)(ya)(ya)源(yuan)或恒流源(yuan)、電(dian)壓(ya)(ya)(ya)表、電(dian)流表和電(dian)子負載(zai),支持四象限功能,可提供恒流測(ce)(ce)壓(ya)(ya)(ya)及恒壓(ya)(ya)(ya)測(ce)(ce)流功能,可簡(jian)化芯片電(dian)性能測(ce)(ce)試方(fang)案。
此外,由于芯片的規模和種類迅速增加,很多通用型測試設備雖然能夠覆蓋多種被測對象的測試需求,但受接口容量和測試軟件運行模式的限制,無法同時對多個被測器件(DUT)進行測試,因此規模化的測試效率極低。特別是在生產和老化測試時,往往要求在同一時間內完成對多個DUT的測試,或者在單個DUT上異步或者同步地運行多個測試任務。
基于普賽斯CS系列多通道插卡式數字源表搭建的測試平臺,可進行多路供電及電參數的并行測試,高效、精確地對芯片進行電性能測試和測試數據的自動化處理。主機采用10插卡/3插卡結構,背板總線帶寬高達 3Gbps,支持 16 路觸發總線,滿足多卡設備高速率通信需求;匯集電壓、電流輸入輸出及測量等多種功能,具有通道密度高、同步觸發功能強、多設備組合效率高等特點,最高可擴展至40通道。

圖1:普賽斯CS系列(lie)作品插(cha)卡(ka)式(shi)源表
(10插卡及3插卡,高至40過道)
基于數字源表SMU的芯片測試方案
運用普賽斯數字1源表做電源芯片的開不導通考試(Open/Short Test)、漏電流考試(Leakage Test)各種DC參數表考試(DC Parameters Test)。1、開短路測試(O/S測試)
開串電檢驗(Open-Short Test,也稱重復性或碰觸檢驗),在安全驗證檢驗整體與集成控制電路芯片很多引腳的電碰觸性,檢驗的操作過程是使用對地防護電感實行的,檢驗相連接控制電路內容如下如下圖所示:
圖(tu)(tu)2:開短(duan)路故障檢驗(yan)電(dian)纜線(xian)相連(lian)示圖(tu)(tu)
2、漏電流測試
漏電流測量軟件,又被叫做為Leakage Test,漏電流測量軟件的意圖關鍵是撿驗輸入Pin腳和高阻狀態下下的輸出Pin腳的抗阻有無夠高,測量軟件接連電路設計一下如下圖所示:
圖3:漏電流自測(ce)線(xian)路圖接入關心
3、DC參數測試
DC指標的測式,通常情況下基本上Force端的電壓測式端的電壓或Force端的電壓測式端的電壓,基本是測式抗阻性。通常情況下各式DC指標都能在Datasheet外面標上,測式的基本的是以保證心片的DC指標值按照原則:
圖(tu)4:DC參數值測試方(fang)法方(fang)式接(jie)入圖(tu)示(shi)

測試案例

各種測試體系配值
Case 01 NCP1377B 開短路測試
試驗 PIN 腳與 GND 相互連接狀況,試驗的時候中SMU選擇3V量限,增加-100μA交流電,限壓-3V,測定電阻最終結杲表 1 提示,電阻最終結杲在-1.5~-0.2 相互,試驗最終結杲 PASS。*考試方(fang)式連接方(fang)式參照物圖2

圖5:NCP1377B開(kai)短路(lu)故(gu)障(zhang)檢查但(dan)是
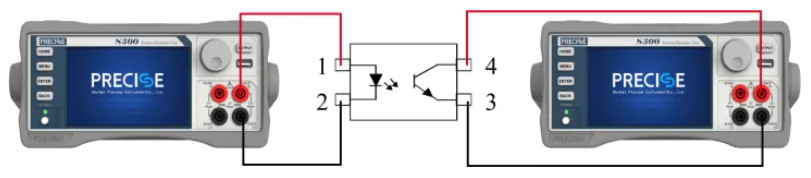
Case 02 TLP521 光電耦合器直流參數測試
光電科技合體器重點由2個組群成:光的火箭火箭發射端及光的受到到端。光的火箭火箭發射端重點由帶光二級管組合,二級管的管腳為光耦的讀取端。光的受到到端重點是光敏結晶管, 光敏結晶管是進行 PN 結在施加壓力正向的方式給回電阻功率值時,在環境光直接照射下正向的方式給回電阻功率由大變小的原因來運行的,結晶管的管腳為光耦的輸出的端。 例適用兩個路由器SMU做出測試方法,買臺SMU與元器鍵入端連入,對于恒流源驅動包發光字肖特基二極管并衡量鍵入端關于性能,另買臺SMU與元器輸出端連入,對于恒壓源并衡量輸出下關于性能。*測試電纜線接連定義圖(tu)4

圖6:BVECO 考(kao)試數據統計及的曲線

圖7:ICEO測(ce)式數據表格及線性

圖8:放(fang)入因素等(deng)值線

圖9:傷害性能(neng)指標弧(hu)度

在線
咨詢
掃碼
下載