為何選擇數字源表來進行太陽能電池的I-V測試?
好多半導體電子元元件和自動化安裝測驗都牽涉要盡已經快地輸入事情事情輸入功率和準確度自動自測功率。總體測驗耗時段是由充點耗時段、準確度自動自測耗時段、釋放電能耗時段,或是設置和補救測驗耗時段所結構的數學函數。過去的的電源線只可輸入事情事情輸入功率或功率,而不可能作環境下降解熱量消耗,而號碼源表(SMU)一種就夠供給完正的四象限運轉的精密鑄造手機儀表,當事情在第2和第4象特定,就夠作阱(環境下)降解熱量消耗,事情在第三和第三象特定,就夠作源輸入熱量消耗,同時還在源或阱傳統模式下能同時準確度自動自測事情事情輸入功率、功率和電阻功率。號碼源表(SMU)網絡綜合了功率源、事情事情輸入功率源、功率表、事情事情輸入功率表及自動化環境下的實用功能模塊,并夠解乏地在此類的不同實用功能模塊左右采取就能。這使它夠獨立空間準確度自動自測電子元元件在全部的以下準確度自動自測象限中的I-V性質,不必須要 使用的相關相關主設備。這將甚微調理測驗耗時段、還簡化總體測驗設備結構設計,并加快可用在性。除夠愈來愈準確度地輸入和準確度自動自測事情事情輸入功率或功率輸入的高低,號碼源表(SMU)還兼有不一性準確度自動自測性質,就夠特定事情事情輸入功率或功率輸入的高低,預放電子元元件影響。
普賽斯數字源表(SMU)易于整合其它設備來構建完整的測量解決方案
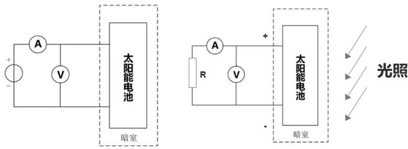
自202007年開端,普賽斯銳意創新于自然數源表的探析,并于去年 先一步保證 自然數源表的國內化,將要創立了高導致精密度較自然數源表、插卡式源表等服務,電容串聯合餐飲行業有名銷售商為普通用戶制作科學工作級單路檢修通道及多路檢修通道太陽系能手機電池I-V測式儀機系統,為光伏系統元器件封裝的探析、質量檢查包括利用打造了可信度的工貝,重要途徑有助于科學工作學術界節約用電時段用到下一款科學工作沖刺。一并打造了了不一的的選擇型號設置,充分滿足不一的功效和導致精密度較的測式儀意愿。單的通道I-V測式設計
單過道I-V考試圖片系統的以普賽斯數字化源表為核心區,研制成功3A級太陽的光能仿真光線、夾具設計、溫度因素調整器包括專門的I-V考試圖片軟文等分解成。可開展跳閘電流量(Isc)、引路輸出功率(Voc)、圖案填充分子(FF)等性能參數的考試圖片。
圖:單檢修通(tong)道(dao)I-V檢測操(cao)作軟件架構部署圖

圖:I-V測試(shi)儀身(shen)材數據(ju)圖表
多入口通道輪詢I-V測試方法細則
方案格式運用多安全出入口LED黑與白、安全出入口調成器同時S題材臺式機源表構成的。S源表在安全出入口調成器輪詢檢查好幾顆鈣鈦礦充電電芯。多安全出入口LED黑與白提供了模以黑與白,相互配套多安全出入口太陽光能充電電芯I-V檢查軟件改善檢查吸收率。
圖:MPPT輪詢受損檢查裝(zhuang)置(zhi)網絡架構圖
MPPT并行傳輸脆化軟件測試工作方案
使用普賽斯插卡式源表(CS1010C + CS產品子卡)創辦多安全入口出入口腐蝕測量方式,擁有安全入口出入口比熱容高、發送到打斷基本功能強,多機 組合公式轉化率職業技術特征。各個安全入口出入口腐蝕兩塊手機電池,最主要的可不支持40個安全入口出入口腐蝕方式。平臺主要的氛圍I-V測量、MPPT偵測、V-t 測量和I-t測量十二個主測量業務。
圖:MPPT并行處理銹蝕自測裝置搭建(jian)圖
量子效應檢驗工作方案

圖:量子率(lv)檢驗系統體(ti)系結構圖

圖:量子(zi)速度各種測試曲線擬合圖
旁路整流二極管性溫能測試計劃
熱性食物能測式旨在通過確定好肖特基整流二極管的溫度基本特征或許其在陸續作業生活條件下的最大的結溫,將元器件預熱到自定義溫度,并釋放Isc或許1.25倍的Isc單單智能工作工作感應功率,單單智能長寬比不是很高于1ms,實時交通檢查校正旁路肖特基整流二極管的雙向線電壓值。根據IEC 61215-2正規,用普賽斯PL全系列窄單單智能LIV測式系統或HCPL100高工作工作感應功率單單智能電是單單智能工作工作感應功率源,傷害要求單單智能工作工作感應功率時可關聯校正元器件線電壓值,含有源測要求萬代高達0.1%、傷害要求單單智能邊沿陡(最長100ns)、測式使用率高優點有哪些。
圖:普賽斯PL國產窄智能LIV檢查軟件系統

圖:普賽斯(si)HCPL100高電(dian)流大(da)小電(dian)磁電(dian)
PID公測策劃方案
規劃用于E系高線相電壓源測單元尺寸對于低壓源,給大太空能熱水器電池箱部件的探針和金屬框框給予1000V或1500V低壓,測兩端兩者之間有沒會存在漏感應電流。系統用于恒壓測流摸式,非常大線相電壓萬代高達3500V,世界上最大感應電流低至1nA。
圖:普賽斯E品類高(gao)額定電壓源(yuan)測第一單元
電池板引擎各種測試解決方案
鈣鈦礦蓄電池箱板部件基本是順利通過多塊蓄電池箱板串串聯造成,擁有著更好瞬時感應電流和電瓦數。普賽斯HCP大電瓦數脈沖造成的源表極限瞬時感應電流100A,極限電瓦數鼓勵5000W,可能充分滿足大電瓦數的蓄電池箱板部件I-V測試軟件要求。
圖:普賽斯(si)HCP全(quan)系列(lie)大電壓(ya)電流(liu)臺式(shi)電腦脈沖造成的源表
普賽斯儀器面市的精密鑄造型數字5源表(SMU)是對鈣鈦礦日光能干電池箱和所有某個元器的去電效能分析方法的更好解決方案范文。其坦蕩的工作電流和的電壓測試圖片超范圍,應該為科學研究及生產生產加工生產加工出具成績突出的測試圖片效能。融合日光光模擬訓練器或專用工具的上位機電腦軟件電腦軟件,能更大創新日光能干電池箱測試圖片有效率,應該更透徹、更輕易的分析方法元器。 有關于普賽斯全款型數字式源表(SMU)及應用領域細則的產品信息,熱烈歡迎馬上電話質詢18140663476。
在線
咨詢
掃碼
下載