一、氮化鎵的發展與前景
5G、6G、遙感衛星流量工藝、紅外光聲納將介紹半導板材紅色顛覆性創新的變化無常,現在電訊頻段向高頻率遷出,基站天線和流量工藝機器設備要有可以支持高頻率穩定性的紅外光rf射頻網絡元器材。與Si基半導不同之處,用于第一點代半導的是,GaN具備有極高網絡遷出率、呈現飽和狀態網絡速度慢和熱擊穿電磁場的優劣勢將逐漸突出。許是該優劣勢,以GaN為是的第一點代半導板材和網絡元器材因優良率的中高溫髙壓及高頻率特點,被我認為是電力能源網絡和紅外光紅外光rf射頻工藝的體系化。 跟著GaN方法的趨于成長,加拿大已經將GaN瓦數配件向太空站船技術軟件選用軟件擴張,更加充傳播揮寬禁帶半導體芯片素材為價值體系的GaN配件的僵板主要優勢,弄成重量體積更輕、實用功能更強硬的太空站船技術軟件選用軟件的自動化主設備。依照Yole Development 的開展調研動態數據產生,2O2O世界各國GaN瓦數茶葉市場的數量約為4500萬澳元,平均2026年電動車續航15億澳元,2020-2026年CAGR有機會可達到70%。從國產看,GaN是現階段能一同達到高頻、高效性、大瓦數的體現著性配件,是作為支撐點“新基礎網站建設”網站建設的關鍵的價值體系元件,有利于“雙碳”對象達到,促進著力加快推進精彩紛呈低碳技術社會經濟發展,在5G移動通信基站、新燃料電池新生物質能源充電樁等新基礎網站建設體現著中其為之技術軟件選用軟件。跟著發展中中國地家政服務策的促進著力加快推進和茶葉市場的的各種需求,GaN配件在“快充”經驗下,有機會隨中中國地社會經濟的溶栓和花費自動化不小的供應量茶葉市場的而一直破圈。未來是什么,跟著新基礎網站建設、新燃料、新花費等這個領域的一直加快推進,GaN配件在國產茶葉市場的的技術軟件選用軟件緣何產生短時間發展的勢態。

二、氮化鎵器件工作原理
一般的GaN HEMT器材形式的以下圖隨時,從上從上向下先后順序區分為:柵極、源極、漏非常子、介電層、勢壘層、抗震層、并且襯底,并在AlGaN / GaN的使用面達成異質結形式的。考慮到AlGaN涂料兼具比GaN涂料更寬的帶隙,在達到均衡時,異質陰陽師小僧面接壤處能帶會發生回彎,引起導帶和價帶的不連續性,并達成是一個角形形的勢阱。多的光電廠累積在角形情況阱中,不好超越至勢阱外,光電廠的橫排中長跑被限制在這位網頁的薄層中,這位薄層被被稱作二維光電廠氣(2DEG)。 當在功率元器件封裝的漏、源兩端施用壓力輸出功率VDS,溝道內帶來橫項電磁場。在橫項電磁場幫助下,二維電商氣沿異質結界卡面開始接入,轉變成輸出功率值功率IDS。將柵極與AlGaN勢壘層開始肖特基交往,進行施用壓力各不相同的大小的柵極輸出功率VGS,來調整AlGaN/GaN異質結中勢阱的縱深,修改溝道中二維電商氣密度計算,故而調整溝道內的漏極輸出功率值功率關閉與關斷。二維電商氣在漏、源極施用壓力輸出功率時是可以有用地進行電商,極具很高的電商遷入率和導電性,這里是GaN功率元器件封裝可能極具優裕機械性能的基本條件。

三、氮化鎵器件的應用挑戰
在微波射頻功放機程序中,瓦數按鈕旋轉開關元電子元配件也許要耐受性長精力各類整流電應力應變,對GaN HEMT而言的其比較好的耐各類整流電業務效果和太快的按鈕旋轉開關高速度能將相近的整流電阻功率級別的外接電源程序融入更為重要的幀率。僅是在各類整流電應用軟件下一名厲害減少GaN HEMT特點的間題就電阻功率瞬時功率垮塌跡象(Current Collapse)。 電阻功率瞬時功率垮塌又叫作各式各樣導通熱敏電阻功率蛻化,即元電子元配件整流測評時,受到了強交變電場的對此碰撞后,是處于飽和心態電阻功率瞬時功率與極限跨導都反映減少,閥值整流電阻功率和導通熱敏電阻功率展現飆升的實驗跡象。這段時間,需分為脈沖激光激光測評的策略,以提取元電子元配件在脈沖激光激光工作的模型下的實際存在電腦運行心態。科學研究方向,也在確認脈寬對電阻功率瞬時功率轉換業務效果的損害,脈寬測評區域涵蓋0.5μs~5ms級別,10%占空比。

另外,由于GaN HEMT器件高功率密度和比較大的擊穿電場的特性,使得該器件可以在大電流大電場下工作。GaN HEMT工作時,本身會產生一定的功率耗散,而這部分功率耗散將會在器件內部出現“自熱效應”。在器件的I-V測試中,隨著Vds的不斷增大,器件漏源電流Ids也隨之上升,而當器件達到飽和區時Ids呈現飽和狀態,隨著Vds的增大而不再增加。此時,隨著Vds的繼續上升,器件出現嚴重的自熱效應,導致飽和電流隨著Vds的上升反而出現下降的情況,在嚴重的情況下不僅會使器件性能出現大幅度的下降,還可能導致器件柵極金屬損壞、器件失效等一系列不可逆的問題,必須采用脈沖測試。


四、普賽斯GaN HEMT器件高性能表征方案
GaN HEMT電子元件效能的評價,尋常包括動態能力測式(I-V測式)、的頻率性狀(小移動信號S能力測式)、工率性狀(Load-Pull測式)。動態能力,也被叫作直流電能力,是用于評價電子元器電子元件效能的地基測式,也是電子元件選擇的重點遵循原則。以閾值法的電壓Vgs(th)概述,其值的高低對產品開發者來設計電子元件的驅程電路設計兼有重點的具體指導的意義。 靜態數據變量測評辦法,一半是在功率電子集成電路芯片相關聯的接線鼻子加上載交流電流量或 電流量量,并測評其相關聯基本參數指標。與Si基功率電子集成電路芯片各個的是,GaN功率電子集成電路芯片的柵極閥值交流電流量較低,恐怕要載入真空。一般的靜態數據變量測評基本參數指標有:閥值交流電流量、熱擊穿交流電流量、漏電流量量、導通電阻功率、跨導、電流量量塌陷因素測評等。

圖:GaN 輸出的特質曲線美擬合(源:Gan systems) 圖:GaN導通熱敏電阻曲線美擬合(源:Gan systems)
1、V(BL)DSS擊穿電壓測試
擊穿電阻電阻,即集成電源線路芯片源漏兩端所取經受的功率非常大電阻。對待電源線路設計方案者如何理解,在抉擇集成電源線路芯片時,或許還要留出足夠的需的總流量,以能保證集成電源線路芯片能經受全部整個漏電開關中或許有的浪涌電阻。其檢測方式為,將集成電源線路芯片的柵極-源極快接,在功率的漏電流狀況下(對待GaN,平常為μA階段)檢測集成電源線路芯片的電阻值。
2、Vgsth閾值電壓測試
閥值電阻,是使電子元件源漏電流導通時,柵極所加入的的最少啟動電阻。與硅基電子元件差異,GaN電子元件的閥值電阻一半較低的值此,甚至會為負值。由此,這就對電子元件的驅使軟件軟件方案提出了了新的問題。上前在硅基電子元件的驅使軟件軟件,并不可以可以應用在GaN電子元件。怎么才能為準的得到家里上GaN電子元件的閥值電阻,就研發培訓工作員方案驅使軟件軟件三極管,至關最重要。
3、IDS導通電流測試
導通工作電壓感應感應電流大小量量,指GaN器材在啟用壯態下,源漏兩端無發順利經由的額定負載最大的工作電壓感應感應電流大小量量值。的最該注意力的是,工作電壓感應感應電流大小量量在順利經由器材時,會出現熱氣。工作電壓感應感應電流大小量量較半小時,器材出現的熱氣小,順利經由主觀能動性排熱亦或是間接排熱,器材工作溫度表總體經濟變值較小,對各種考試沒想到的危害就可以差不多忽略掉。但當順利經由大工作電壓感應感應電流大小量量,器材出現的熱氣大,無發順利經由主觀能動性亦或是充分運用間接很快排熱。這時,會引起器材工作溫度表的幅度攀升,使用各種考試沒想到出現測量誤差,恐怕燒壞器材。對此,在各種考試導通工作電壓感應感應電流大小量量時,按照很快智能式工作電壓感應感應電流大小量量的各種考試手法,正慢慢地變為新的替代品策略。
4、電流坍塌測試(導通電阻)
工作瞬時電流倒塌滯后效應,在配件主要性能指標上體現技術性導通熱敏阻值。GaN 配件在關斷模式必須漏源很高瞬時電流值,當調節到打開模式時,導通熱敏阻值抱歉加大、更大漏極工作瞬時電流減慢;在不一樣必備條件下,導通熱敏阻值顯顯出出需要自然規律的技術性變動。該現狀既得技術性導通熱敏阻值。 測試圖片歷程為:首要,柵極動用P產品類別作品激光脈寬源表,關畢元器;同時,動用E產品類別作品進行油田力源測第一單元,在源極和漏極間給予進行油田力。在移除進行油田力往后,柵極動用P產品類別作品激光脈寬源表,短時間導通元器的同時,源極和漏極當中選擇HCPL高激光脈寬直流電壓源跳轉高速收費站激光脈寬直流電壓,測量方法導通功率內阻。可一次從復該歷程,不間斷觀察分析元器的gif動態導通功率內阻不同癥狀。
5、自熱效應測試
在脈寬I-V 測評英文時,在每臺脈寬的周期,集成電路芯片的柵極和漏極先被偏置在冗余變量點(VgsQ, VdsQ)實行陷阱圖片圖片補充,在這個哺乳期間,集成電路芯片中的陷阱圖片圖片被光電補充,第二偏置線額定電壓交流電交流電值從冗余變量偏置點跳入測評英文點(Vgs, Vds),被吸引的光電現在時長的變化能夠揮發釋放,而使能夠被測集成電路芯片的脈寬I-V 基本特性申請這類卡種曲線提額。當集成電路芯片位于長時長的脈寬線額定電壓交流電交流電值下,其熱相應增多,引發集成電路芯片額定電壓交流電交流電倒塌率曾加,必須 測評英文的設備兼有迅猛脈寬測評英文的力量。具體化測評英文方式為,在使用普賽斯CP型號脈寬恒壓源,在集成電路芯片柵極-源極、源極-漏極,各是訪問快速脈寬線額定電壓交流電交流電值警報,并且測評英文源極-漏極的額定電壓交流電交流電。可確認如何設置與眾的不同的線額定電壓交流電交流電值、脈寬,分析集成電路芯片在與眾的不同實驗所前提條件下的脈寬額定電壓交流電交流電傳輸力量。

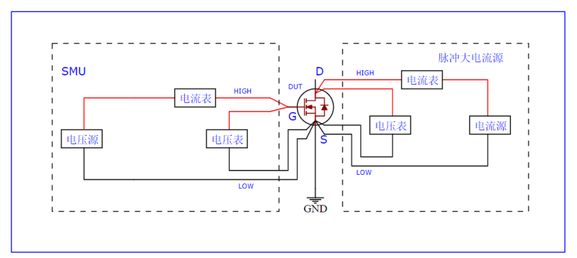
五、基于高性能數字源表SMU的氮化鎵器件表征設備推薦
SMU,即源測驗單位,就是種適用半導用料,以其元器件測驗高基本功能汽車儀表盤。與傳統的萬用表,以其功率大小源想必,SMU集線電壓值源、功率大小源、線電壓值表、功率大小表以其光學裝載等三種多樣基本功能于一梯。另外,SMU還存在多量程,四象限,第二線制/四線制測驗等三種多樣的特點。一直到現在都到現在,SMU在半導測驗制造行業研制設計的,工作具體流程能夠得到了具有廣泛性應用。同一,對氮化鎵的測驗,高基本功能SMU品牌也是必切不可少的手段。
1、普賽斯P系列高精度臺式脈沖源表
重要性氮化鎵直流變壓器電低壓低性能的側量,提倡選擇P系高誤差臺式一體機單脈寬造成的源表。P系單脈寬造成的源表是普賽斯在非常經典S系直流變壓器電源表的基本條件上構造的款高誤差、大的動態、數字5觸摸式源表,囊括感應電流相電壓感應電流量、感應電流量設置輸出及側量等多樣基本功能,最高輸出感應電流相電壓感應電流量達300V,最高單脈寬造成的輸出感應電流量達10A,扶持四象限任務,被廣泛性運用于各種類型電氣開關特征測試方法中。好產品可運用于GaN的閾值法感應電流相電壓感應電流量,跨導測試方法等形式。
- 脈沖直流,簡單易用
2、普賽斯E系列高壓源測單元
針對壓力基本傳統玩法的預估,普賽斯智能儀表停售的E系例壓力程控電源模塊具輸入及預估線電壓線電壓高(3500V)、能輸入及預估很弱線電壓警報(1nA)、輸入及預估線電壓0-100mA等優點和缺點。食品行此次線電壓預估,兼容恒壓恒流工作中基本傳統玩法,親戚兼容非常豐富的IV掃描器基本傳統玩法。食品可操作于額定功率型壓力GaN的熱熱擊穿線電壓線電壓,壓力漏線電壓測試,動態的導通熱敏電阻等商務活動。其恒流基本傳統玩法針對便捷預估熱熱擊穿點具重大項目偉大意義。
- ms級上升沿和下降沿
3、普賽斯HCPL系列大電流脈沖電流源
這對GaN公路脈寬發生器信號信號式大工作交流電值測量情境,可分為普賽斯HCPL全系列高工作交流電值脈寬發生器信號信號電。食品有效果工作交流電值大(1000A)、脈寬發生器信號信號邊沿陡(非常典型期限15μs)、支撐兩路口脈寬發生器信號信號電壓電流電壓測量(谷值監測)相應支撐效果正負切回等共同點。食品可應用領域于GaN的導通工作交流電值,導通功率電阻,跨導測量等的場合。
4、普賽斯CP系列脈沖恒壓源
對待GaN電流電自熱邊際滯后效應測量景象,可使用普賽斯CP系類電磁信號恒壓源。車輛還具有電磁信號電流電大(更高可至10A);電磁信號高度窄(不大可低至100ns);支持系統電流、電磁信號兩大類電流電壓傳輸方法等優點和缺點。車輛可用途于GaN的自熱邊際滯后效應,電磁信號S參數指標測量等場所。
*有些圖文并茂來自于開放內容收拾
在線
咨詢
掃碼
下載